
Patient-Centric Care: Continuity Beyond the Hospital Walls
January 25, 2026
Patient-Centric Care: Continuity Beyond the Hospital Walls
January 25, 2026System Engineering and Firmware Development for a RF Ablation Unit

About Client
A leading medical technology company dedicated to improving women’s health aimed to develop an RF ablation system for controlled tissue ablation.
Client’s Challenge
A new RF ablation unit of hardware is developed for ablation with a Arduino proto firmware.
Need complete Firmware conforming to IEC 62304 requirements and meeting the functional and fail-safe requirements of the product and aligned to product architecture requirements.
Project Objective
The primary goal was to create a robust, safe, and maintainable firmware architecture capable of real-time performance under stringent medical requirements.
This involves safe closed-loop ablation, deterministic response to sudden impedance changes, clear UI, robust safety shutdowns, easy field updates.
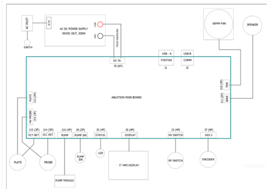
The device architecture includes a main ablation control board, pump module, RF switch, encoders, HMI display, audio alerts, fans, safety detection lines, and USB-based communication.
iOrbit Approach / Solution
We analyzed the entire Hardware architecture for the product to determine the right choice of Firmware development type and tools.
Key Highlights of RF Ablation unit Firmware:
The controller uses an ATmega2560 to manage:
- RF power control (via DAC → RF amplifier)
- Real-time impedance monitoring (HV probe + ADC)
- Pump & cooling control
- User interface (5" HMI, encoder, LEDs, footswitch)
- Safety, logging, and USB comms


Firmware Requirements
The firmware for the RF Ablation System must provide reliable, real-time control of all device subsystems while ensuring patient safety, smooth user interaction, and deterministic response to sensor inputs. Built on the ATmega2560, the firmware must efficiently manage communication with peripheral components such as the pump module, RF switch, impedance sensing circuits, display, encoder, USB interface, and safety detection lines. It should maintain stable operation during ablation, handle closed-loop RF power control, monitor impedance and electrical conditions, and react instantly to any abnormal events. The system must also support a user-friendly interface, onboard data logging, built-in diagnostics, and a scalable architecture that allows future upgrades or the addition of new modules.
Firmware Architecture Design
A multi-layered, modular architecture was developed.
- Hardware Abstraction Layer (HAL)
- Device Drivers
- Application Layer
Core Algorithms
- Impedance Measurement & real-time controlling
- Compute impedance using calibrated conversion.
- Maintain moving min/max & a short-term derivative to detect sudden spikes.
- Power Ramping & Closed-Loop Control (impedance driven)
- ramp RF power in controlled cycles while ensuring impedance stability.
- Safety Engine
- Faults monitored: probe disconnect, overcurrent, overvoltage, high impedance spike, pump failure, thermal overlimit.
- State Machine
- The system transitions through INIT, SELTTEST, ABLATING, PAUSE, FAULT, and SHUTDOWN states to manage the complete workflow of RF ablation with safety and user control.
- Safety & Regulatory Considerations
- Deterministic response times for critical interrupt (fault lines).
- Redundant checks: for every action that enables HV, perform both firmware check and hardware interlock.
Key Outcome
- Scalability – positioned for further development into a market-ready clinical product.
- Code reviews and Verification successfully completed.
Conclusion
- Successfully handover of fully evaluated firmware along with the system.
- All validations are successfully completed.